产品搜索
资料搜索
CO2 灭火器重量监控仪 PT500-110

产品描述:

采用高精度称重测力传感器,低功耗模块化数字电路,专用4G无线通讯芯片,内置电池及天线,重量、温度、湿度、倾角数据直接对接云物联平台及移动端,实现365*24h实时数据采集监控,云平台、移动端APP或微信小程序、手机信息等多种预警方式。

关键字/别名:

CO2灭火器重量监控仪

二氧化碳灭火器重量监控仪

二氧化碳灭火器物联监控

二氧化碳灭火器无线监控

二氧化碳灭火器监控传感器

物联电子秤

无线电子秤

无线称重传感器

PT500-110

产品详情:

一、CO2 二氧化碳灭火器重量监控仪 PT500-110 概述:

称重/测力、温度、湿度、倾角四位一体物联网无线4G移动通讯内置电池供电,寿命≥3年(@频率06003)
称重/测力/温度/湿度/姿态同时测量信号覆盖广泛、稳定、响应快、不丢包电池安装:拔插式,可更换
三款结构尺寸适应不同工况拔插式SIM卡可更换可选:18Ah大容量电池/可充电电池
高精度平行梁称重传感器配套物联网监控云平台及移动端APP产品寿命≥100万次
环境温湿度监测数据采集、显示、统计、分析、下载32位MCU、24位ADC
产品安装位置倾角监测(姿态)上传频率、各数据的预警阀值远程配置结构有整体式和分体式,适用不同用户
产品通过第三方检测机构认证平台、APP、手机短信多方位预警联动防护等级IP67
普量公司享有多项产品专利无缝对接公共云及私人云物联平台应用于CO2灭火器重量监控等称重领域


二、CO2 二氧化碳灭火器重量监控仪 PT500-110 型号规格:

代码类型
PT500-110物联称重测力传感器

代码量程
50Kg称重量程:0~50Kg(默认)温度量程:-40~70℃,
    湿度量程:0-99%RH,
    倾角量程:±90°(X/Y/Z三轴)
100Kg称重量程:0~100Kg
定制量程

代码通讯类型
4G移动4G通讯,使用移动物联网SIM卡

代码综合精度
C3压力:±0.5%FS,温度:±2℃,湿度:±5%RH,倾角±3°

代码称台面尺寸规格
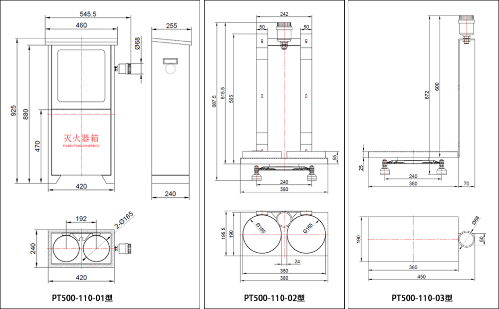
01420*240*925(mm)-带灭火器箱子
02380*190*690(mm)-托盘支架
03380*190*670mm(mm)-称架结构
定制定制台面尺寸

代码特殊要求规格
省略
PT500-110/50Kg4GC301


三、CO2 二氧化碳灭火器重量监控仪 PT500-110 主要技术参数:

项目参数项目参数
测量介质CO2灭火器及其它物品重量结构420*240*925(mm)-01型/带灭火器箱子
通讯类型移动4G/SIM卡可换380*190*690(mm)-02型/托盘支架
称重量程0~50Kg380*190*670mm(mm)-03型/称架结构
0~100Kg使用寿命≥100万次
定制量程环境温度-40~+70℃
温度量程-40~+70℃巡检时间000~999分钟/次
湿度量程0~99%RH上传频率01~99次巡检时间
倾角量程±90°(X;Y;Z三轴)安全过载150%FS
综合精度称重:±0.5%FS;温度:±2℃破坏重量3倍量程;
湿度:±5%RH;倾角:±3°天线方式内置免安装
电池规格26500*2;3.6VDC/18Ah;可更换防护等级IP67
电池寿命≥3年/采集频率4小时/次 台面材料镀锌铁板


四、CO2 二氧化碳灭火器重量监控仪 PT500-110 结构:

PT500-110-结构图.jpg

五、CO2 二氧化碳灭火器重量监控仪 PT500-110 感之物联云监控平台:

六、CO2 二氧化碳灭火器重量监控仪 PT500-110 感之物联移动端APP:

佛山市普量电子有限公司
佛山市普量电子有限公司

佛山市普量电子有限公司从事压力,液位,温湿度,倾角,位移,测力,沉降,静水仪,水浸等传感器,变送器,智慧物联云平台,APP,上位机,仪器仪表等数据采集与监控。产品涵盖自动化、智慧城市(消防/供气/供暖/给水/环境)、农业、气象、石油化工、结构安全、基建安全监控等领域。历经十五年技术沉淀与经验,贯彻“锐意进取、追求卓越、用户第一”的企业精神,依靠优秀人才、先进设备、创新技术、专业化团队,为更多的项目和设备提供优质的产品和服务,满足市场需求!我们注重品质、诚信为本、服务用户。普量:感“之”世界,智慧物联。

0757-26619568
联系我们
电话: 0757-26619568
手机: 13790092618
传真: 0757-26619508
官网: www.puliangmeter.com
云平台: www.puliangiot.com
地址:佛山市顺德区容桂街道华口社区华天南一路2号杰森家电智造中心3栋202号

感之物联

移动端网站
Baidu
map